一、概述
藍牙技術的成熟,使得藍牙在消費類電子產品應用越來越多,比如藍牙音箱、藍牙耳機、藍牙BLE
。最近兩年,藍牙應用在音頻發射上的產品越來越多了,而且消量也是逐年增多,競爭也多,要求也越來越高,問題也就暴露出來了。深圳錦宏世紀科技 李工 
18938047300
今年,就有客戶反映說藍牙發射器在電腦使用進,音箱端會有雜音、噪音的問題。針對這個問題,我測試了一下確實是有的。但它是有條件的出現,當你用電腦供電,音頻輸入接手機或其它的音源設備是不會的。如果接電腦電源又接電腦的音頻,這個時候音箱的雜音就出現了。
二、噪音問題的分析
經過分析,藍牙發射器接電腦耳機輸出和電腦USB電源時,噪音原因,是電腦電源的地線雜波信號干擾串到了音頻信號,雜波信號音頻信號一起經過藍牙數字采集,一起發射,藍牙音箱接收到的就會有噪音和音頻信號,經過藍牙音箱的功放放大后,噪音和音頻聲音就被喇叭還原,人耳隔著音箱50公分都可以聽到喇叭發出的噪音。這種問題,不但只有發射器有,就連普通的電腦桌面音箱,也會有這種問題出現。網上問題的解決方案都不是很徹底,改善后的效果不好。
三、問題的解決方案
解決噪音問題目前有兩個方案,一個是采用電源隔離地線的方案,一個是采用專用隔離音頻功放的方案,其實也是隔離地線的方案,兩者的改善效果都很好,音箱喇叭噪音都很小了。
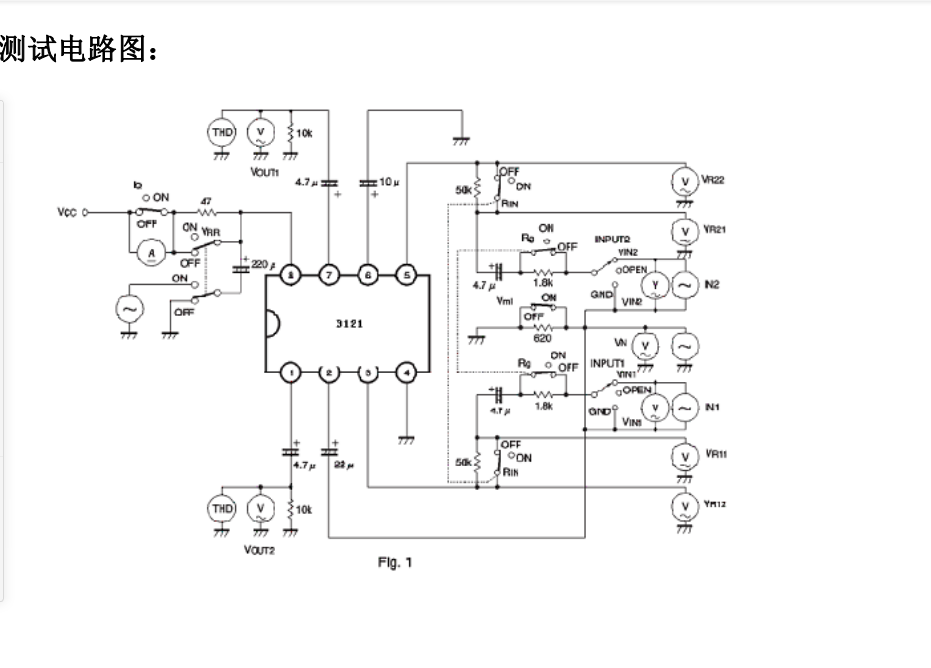
MS3121 是一款應用于車載音頻系統的‘地’隔離放大器。芯片可以很好地解決汽車音頻系統中的繞線電阻問題,以及由車載電子設備帶來的噪聲問題。另外,芯片所需要的外圍電容小,便于系統的集成。MS3121可兼容BA3121 D3121 HX808
芯片特征:
■ 不需要大電容
■ 低偕波失真(thd=0.002%)
■ 高共模抑止比(57dB at 1kHz)
■ 兩通道
■ 低躁聲
■ SOP8 封裝