
















。

現在可以把它扔掉了

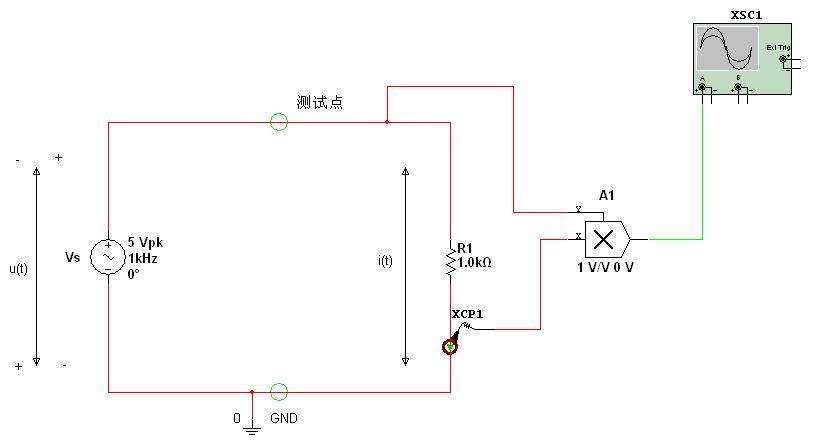
這是測量開路電壓的示意圖。



:

這可能是一個最簡單的電路了。麻雀雖小,五臟俱全















我們看一下這個簡單電路中的能量關系。









我們把功率對時間積分一下看看,如上圖所示
OL





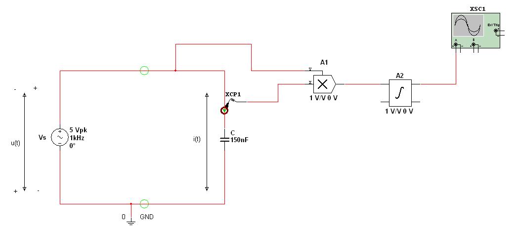
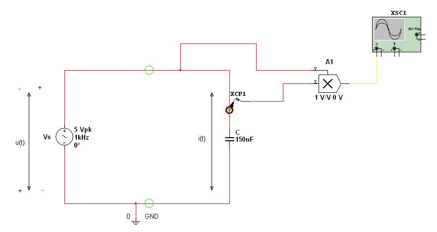
我們把電流ic(t)和電壓uc(t)相乘得到功率曲線p(t)。測量示意圖如上圖所示。
我們在把功率曲線對時間積分一下看看,如圖所示。






| 歡迎光臨 電子工程網 (http://www.4huy16.com/) | Powered by Discuz! X3.4 |