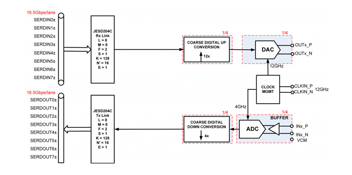
 一、衛星數據鏈綜 衛星通信是衛星互聯網的重要應用之一,主要指通過或借助衛星進行數據通信,可廣泛應用于移動用戶、遠程操作、及相關前沿應用領域。衛星通信產業鏈主要涵蓋衛星制造、運載發射與地面設備等基礎設施建設,及其運營服務。 商業航天衛星市場*(主要為低成本近地軌道衛星)快速擴張,現已成為市場發展的驅動力,與之形成對比的是限制多、成本高、海拔高的地球同步軌道(GEO)衛星。隨著這些市場變化的出現,主要的問題之一是需要多少輻射加固。如今,大批量商業航天市場不能承擔成本較高、要求嚴格、耐輻射,并且符合航天標準的“傳統”芯片、元件和設備,并且通常也不需要。 基于1G帶寬的衛星數據鏈是未來6G移動通信的核心技術,以ADI公司AD9988為基礎的射頻收發平臺, 完美解決了 Sub-6G 的通信問題,以 Transceiver 為基礎可以向上擴頻到 X, KA .KU 頻段,以下先講解 KA 頻段衛星通信解決方案。采用 AD9986的接收機和發射機衛星通信系統,整個方案 Sub-6G 模塊可以固定,只需要切換射頻前端就能實現不同頻段的擴頻通信。 該方案推動商業航天衛星產業發展 ● 更低的發射成本 ● 體積更小、重量更輕、價格更加低廉的航天器 ● 對現代IC技術和新功能的需求 ● 對近地軌道任務和更大衛星群的重視 ● 需要縮短產品上市時間 二、FMCJ469-基于AD9988的四路4 GSPS@ 12 bit,四路12 GSPS@16 位4T4R 射頻FMC子卡   2.1 產品詳情 用戶指南介紹了 AD9081-FMCA-EBZ、AD9082-FMCA-EBZ、AD9986-FMCB-EBZ 和 AD9988-FMCB-EBZ 評估板,它們提供操作各種模式和配置下的 AD9081、AD9082、AD9986、AD9988 、AD9207、AD9209 或 AD9177 所需的所有支持電路。還介紹了用于與套件接口的應用軟件。這些評估板連接到 ADI 公司的 ADS9-V2EBZ,以使用 ACE 軟件進行評估。 該評估板還可以與 Xilinx® 或 Intel®的市售現場可編程門陣列 (FPGA) 開發板連接。“AD-FMC-SDCARD 的使用”部分提供了有關如何使用這些平臺來評估 AD9081 或 AD9082 的信息。 ACE 軟件允許用戶在各種模式下設置 MxFE®,以捕獲模數轉換器(ADC) 數據進行分析。DPGDownloaderLite 軟件(包含在 ACE 安裝中)生成矢量,并將其傳輸到數模轉換器 (DAC),然后可以將其發送到頻譜分析儀,進行進一步分析。如需了解更多信息,請參閱 AD9081、AD9082、AD9986、AD9988、AD9207、AD9209 或 AD9177 數據手冊和 UG-1578(套件用戶指南),使用評估板時,必須同時參考用戶指南。 優勢和特點 ● AD9988 的全功能評估板 ● 帶有分析、控制、評估 (ACE) 軟件的 PC 控制軟件。 由 HMC7044 管理套件和 FPGA 時鐘提供板載時鐘。 ● 選擇切換到外部直接時鐘 2.2 AD9988芯片概述 AD9988 是一款高度集成的套件,具有四個 16 位、12 GSPS 最大采樣率、RF 數模轉換器 (DAC) 內核,以及四個 12 位、4 GSPS 速率、RF 模數轉換器 (ADC) 內核。該套件通過 4T4R 配置,支持 4 個變送器通道和 4 個接收器通道。該產品非常適合四天線 TDD 變送器應用,在該應用中,接收器路徑可以在接收器和觀察模式之間共享。可以配置和切換 GPIO 引腳,以支持不同的用戶模式,同時保持相位一致性。在 4T4R 配置中,支持的最大射頻通道帶寬為 1.2 GHz,采樣分辨率為 16 位。AD9988具有一個 16 通道 24.75 Gbps JESD204C 或 15.5 Gbps JESD204B 串行數據端口,其中每個變送/接收鏈路最多可支持八個通道,還有一個片內時鐘乘法器,并具有針對直接面向 RF 射頻應用的多頻帶的數字信號處理能力。 
 
2.21 優勢和特點 ● 靈活的可重新配置無線電通用平臺設計 ● 變送器/接收器通道帶寬高達 1.2 GHz (4T4R) ● RF DAC/RF ADC 射頻頻率范圍高達 7.5 GHz ● 具有多芯片同步功能的片內 PLL ● 外部 RF 時鐘輸入選項 ● 多種數字特性 ● 可選的插值和抽取濾波器 ● 可配置的 DDC 和 DUC ● 8 個細調復數 DUC (FDUC) 和 4 個粗調復數 DUC (CDUC) ● 8 個細調復數 DDC (FDDC) 和 4 個粗調復數 DDC (CDDC) ● FDUC 和 FDDC 是可完全置于旁路的 ● 每個 DUC 或 DDC 都有 2 個獨立的 48 位 NCO ● 可編程 192 抽頭 PFIR 濾波器,用于接收均衡 ● 支持通過 GPIO 加載的 4 種不同的配置文件設置 ● 接收 AGC 支持 ● 用于快速 AGC 控制,具有低延遲的快速檢測 ● 用于緩慢 AGC 控制的信號監控器 ● 專用 AGC 支持引腳 ● 發射 DPD 支持 ● 每個發送數據路徑的可編程延遲和增益 ● DPD 觀察路徑的粗調 DDC 延遲調整 ● 支持實數或復數數字數據(8、12 或 16 位) 2.2.2 輔助特性 ● 具有可選分頻比的 ADC 時鐘驅動器 ● 功率放大器下游保護電路 ● 片內溫度監控單元 ● 可編程 GPIO 引腳支持模式間的切換 ● TDD 省電選項和共享 ADC ● SERDES JESD204B 或 JESD204C 接口,16 個通道,速率高達 24.75 Gbps ● 8 通道 JESD204B/C 變送器 (JTx) 和 8 通道 JESD204B/C 接收器 (JRx) ● 支持子類 1 ● 支持多套件同步 ● 15毫米××15毫米、324 球 BGA,間距 0.8 毫米 三、523-(ZCU102兼容卡)基于 XCZU15EG的雙 FMC處理板 3.1 板卡概述 本板卡基于Xilinx Zynq Ultrascale+ MPSOC系列SOC XCZU15EG-FFVB1156架構,PS端搭載一組64-bit DDR4,容量32Gb,最高可穩定運行在2400MT/s,1路USB3.0接口、1路千兆網絡接口、1路DP接口,2路RS232,2路Can接口。板卡具有自控上電順序,支持多種啟動模式,如Nor Flash啟動,EMMC啟動,SD卡啟動等。PL端接一組64-bit DDR4,容量32Gb,最高可穩定運行在2400MT/s;接雙FMC連接器,1組連接8個GTH,LA,HA,HB總線,1組連接8個GTH,LA總線。另有2路40G QSFP光纖接口。設計滿足工業級要求,可用于高速信號處理、車載雷達信號處理等領域。實物如圖所示: 
 圖 1:ZU15EG板卡實物圖  
圖 2:ZU15EG板卡原理框圖 3.2 技術指標 ● PS端掛載一簇DDR4,數據位寬64-bit,容量32Gb,最高可穩定運行在2400MT/s; ● PS端掛載兩片QSPI x4 NorFlash,每片容量512Mb,用于系統配置程序存儲; ● PS端掛載掛一片EMMC,64Gb容量,可用于系統配置程序存儲; ● PS端外掛SD卡接口,最大支持搜索8192個文件數,可用于系統配置程序存儲; ● PS端外接Display Port接口,支持Display Port 1.2a協議標準,僅支持對外輸出; ● PS端外接一路千兆以太網接口,支持10/100/1000Mbps速率傳輸; ● PS端外接一路USB3.0接口,最大速率可達5Gbps; ● PL端掛載一片SPI接口的DataFlash,容量16Mb,可用于存儲系統參數信息; ● PL端通過SPI外接兩組獨立CAN FD控制器,CAN FD接口最高速率可達5Mbps; ● PL端外接2路QSFP+接口,最高支持40Gbps數據傳輸速率; ● PL端外接2組FMC總線,支持1組8個GTH,LA,HA,HB總線,另外1組8個GTH,LA總線; ● 板卡外接兩路RS232接口,由PS端UART轉出,可用于系統調試及狀態信息打印; ● 板卡留有多路用戶自定義測試IO管腳; ● 板卡留有一組4位用戶自定義撥碼開關; ● 板卡芯片全部采用工業級芯片; 3.3 軟件內容 ● PS端QSPI加載測試代碼; ● PS端EMMC加載測試代碼; ● PS端SD卡加載測試代碼; ● PS端Display Port接口測試代碼; ● PS端USB3.0接口測試代碼; ● PS端DDR4讀寫測試代碼; ● PS端千兆網口收發測試代碼; ● PS端UART接口讀寫測試代碼; ● PL端SPI接口的DataFlash讀寫測試代碼; ● PL端QSFP+接口ibert模式測試代碼; ● PL端CAN FD接口測試代碼; ● 其它GPIO信號連通性測試代碼; 3.4 物理特性 ● 工作溫度:商業級 0℃ ~ +55℃,工業級-40℃~+85℃ ● 工作濕度:10%~80% 3.5 供電要求 ● 單電源供電,整板最大功耗:30W ● 電壓:+12VDC±10%@5A 3.6 應用領域 ● 高速信號處理、車載雷達信號處理等。 3.6.1 產品應用 ● 無線通信基礎設施 ● W-CDMA、LTE、LTE-A、大規模多輸入多輸出(MIMO) ● 點對點微波、E 波段和 5G mmWave ● 寬帶通信系統 ● DOCSIS 3.0+ 電纜調制解調器終端系統 (CMTS) ● 通訊測試與測量系統  
 |